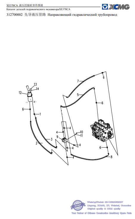
051 312700002 先导液压管路 Направляющий гидравлический трубопровод - XCMG Hydraulic Excavator XE370CA Spare Parts Catalog

序号 零件代号 零件名 数量
№ Номер детали Имя детали Кол-во
1 803172333 软管总成 Гибкая труба в сборе 1
2 803163582 接头 Переходник 1
3 803173979 软管总成 Гибкая труба в сборе 1
4 803172161 接头 Переходник 3
5 803172316 接头 Переходник 1
6 803172168 接头 Переходник 1
052 312700002 先导液压管路 Направляющий гидравлический трубопровод - XCMG Hydraulic Excavator XE370CA Spare Parts Catalog

序号 零件代号 零件名 数量
№ Номер детали Имя детали Кол-во
1 803172161 接头 Переходник 2
2 803176935 软管总成 Гибкая труба в сборе 1
3 803176935 软管总成 Гибкая труба в сборе 1
4 803163582 接头 Переходник 5
5 803183748 软管总成 Гибкая труба в сборе 1
6 803172160 接头 Переходник 4
7 803172334 软管总成 Гибкая труба в сборе 1
8 803111520 软管总成 Гибкая труба в сборе 1
9 312600025 梭阀组 Блок челносных клапанов 1
10 805046507 螺栓 M8×20 Болт 4
11 805338276 垫圈 8 Шайба 4
12 803007152 左先导操纵阀 Левый клапан сервоуправления 1
13 805139840 螺钉 M6×25 Винт 4
14 805338258 垫圈 6 Шайба 4
053 312700002 先导液压管路 Направляющий гидравлический трубопровод- XCMG Hydraulic Excavator XE370CA Spare Parts Catalog

序号 零件代号 零件名 数量
№ Номер детали Имя детали Кол-во
1 803172161 接头 Переходник 1
2 803176934 软管总成 Гибкая труба в сборе 1
3 803176934 软管总成 Гибкая труба в сборе 1
4 803163582 接头 Переходник 7
5 803166487 接头 Переходник 1
6 803166174 软管总成 Гибкая труба в сборе 1
7 803183749 软管总成 Гибкая труба в сборе 1
8 803183749 软管总成 Гибкая труба в сборе 1
9 803172160 接头 Переходник 6
10 803172334 软管总成 Гибкая труба в сборе 1
11 803172334 软管总成 Гибкая труба в сборе 1
12 312600024 分流阀块 Золотниковый блокклапанов 1
13 805338259 垫圈 8 Шайба 2
14 805139847 螺钉 M8×45 Винт 2
054 312700002 先导液压管路 Направляющий гидравлический трубопровод- XCMG Hydraulic Excavator XE370CA Spare Parts Catalog

序号 零件代号 零件名 数量
№ Номер детали Имя детали Кол-во
1 803172161 接头 Переходник 1
2 803176926 软管总成 Гибкая труба в сборе 1
3 803176926 软管总成 Гибкая труба в сборе 1
4 803163582 接头 Переходник 6
5 803172205 软管总成 Гибкая труба в сборе 1
6 803183748 软管总成 Гибкая труба в сборе 1
7 803172160 接头 Переходник 5
8 803172849 软管总成 Гибкая труба в сборе 1
9 803172848 软管总成 Гибкая труба в сборе 1
10 805139840 螺钉 M6×25 Винт 4
11 805338258 垫圈 6 Шайба 4
12 803007151 右先导操纵阀 Правый клапан 1
сервоуправления
055 312700002 先导液压管路 Направляющий гидравлический трубопровод- XCMG Hydraulic Excavator XE370CA Spare Parts Catalog

序号 零件代号 零件名 数量
№ Номер детали Имя детали Кол-во
1 803173977 软管总成 Гибкая труба в сборе 1
2 803172160 接头 Переходник 4
3 803172359 软管总成 Гибкая труба в сборе 1
4 803172848 软管总成 Гибкая труба в сборе 1
5 803163582 接头 Переходник 3
6 803176926 软管总成 Гибкая труба в сборе 1
7 803172161 接头 Переходник 1
056 312700002 先导液压管路 Направляющий гидравлический трубопровод - XCMG Hydraulic Excavator XE370CA Spare Parts Catalog

序号 零件代号 零件名 数量
№ Номер детали Имя детали Кол-во
1 803172351 软管总成 Гибкая труба в сборе 1
2 803176931 软管总成 Гибкая труба в сборе 1
3 803172160 接头 Переходник 4
4 803176931 软管总成 Гибкая труба в сборе 1
5 803172153 软管总成 Гибкая труба в сборе 1
6 803163572 接头 Переходник 4
7 803172161 接头 Переходник 4
8 803007248 行走先导阀 Ходовой направляющий клапан 1
9 803202206 踏板 Педаль 1
10 805338260 垫圈 10 Шайба 4
11 805046527 螺栓 M10×35 Болт 4
057 312700002 先导液压管路 Направляющий гидравлический трубопровод - XCMG Hydraulic Excavator XE370CA Spare Parts Catalog

序号 零件代号 零件名 数量
№ Номер детали Имя детали Кол-во
1 803163582 接头 Переходник 1
2 803176941 软管总成 Гибкая труба в сборе 1
3 803166495 接头 Переходник 7
4 803169464 接头 Переходник 1
5 803176940 软管总成 Гибкая труба в сборе 1
6 310600432 集油块 Маслосборный блок 1
7 805338260 垫圈 10 Шайба 2
8 805139864 螺栓 M10×60 Болт 2
9 803111489 堵头 Заглушка 2
10 803163672 接头 Переходник 3
11 803172058 滤油器 Маслофильтр 3
12 310600430 接头体 Сеодинительная часть 3
13 803165899 软管总成 Гибкая труба в сборе 1
14 803173588 软管总成 Гибкая труба в сборе 1
15 803172161 接头 Переходник 2
16 803111520 软管总成 Гибкая труба в сборе 1
17 803177206 软管总成 Гибкая труба в сборе 1
18 803172197 软管总成 Гибкая труба в сборе 1
19 803176925 软管总成 Гибкая труба в сборе 1
20 803172160 接头 Переходник 4
058 312700002 先导液压管路 Направляющий гидравлический трубопровод - XCMG Hydraulic Excavator XE370CA Spare Parts Catalog

序号 零件代号 零件名 数量
№ Номер детали Имя детали Кол-во
101 860120174 护套 Защитный чехол 1 D
111 860120175 盘 Диск 1
121 860120176 密封垫圈 Уплотняющая шайба 2
122 860120177 O 形圈 O-образное кольцо 1
125 860120178 螺栓 Болт 2
126 860120179 弹簧销 Пружинный штифт 1
131 860120180 衬套 Втулка 1
151 860120181 盘 Диск 1
201 860120182 阀芯 Сердечник клапана 4 D
211 860120183 堵头 Заглушка 4 D
212 860120184 推杆 Толкач 4 D
213 860120185 密封圈 Уплотнительное кольцо 4
214 860120186 O 形圈 O-образное кольцо 4 D
216 860120187 弹簧座 Седло пружины 4
217 860120188 垫圈 Шайба 4
221 860120189 弹簧 Пружина 4
241 860120190 弹簧 Пружина 4
301 860120191 连接件 Соединительная деталь 1
302 860120192 盘 Диск 1
312 860120193 螺母 Гайка 1
501 860120198 防尘罩 Кожух от пыли 1
601 803007152 手柄总成(左) Рукоятка в сборе (левый) 1
059 312700002 先导液压管路 Направляющий гидравлический трубопровод - XCMG Hydraulic Excavator XE370CA Spare Parts Catalog

序号 零件代号 零件名 数量
№ Номер детали Имя детали Кол-во
101 860120199 衬套 Втулка 1
111 860120199 盘 Диск 1
121 860120201 密封垫圈 Уплотняющая шайба 2
122 860120202 O 形圈 O-образное кольцо 1
125 860120203 螺栓 Болт 2
126 860120204 弹簧销 Пружинный штифт 1
131 860120205 衬套 Втулка 1
151 860120206 盘 Диск 1
201 860120207 阀芯 Сердечник клапана 4
211 860120208 堵头 Заглушка 4
212 860120209 推杆 Толкач 4
213 860120210 密封圈 Уплотнительное кольцо 4
214 860120211 O 形圈 O-образное кольцо 4
216 860120212 弹簧座 Седло пружины 4
217 860120213 垫圈 Шайба 4
221 860120214 弹簧 Пружина 4
241 860120215 弹簧 Пружина 4
301 860120216 连接件 Соединительная деталь 1
302 860120217 盘 Диск 1
312 860120218 螺母 Гайка 1
315 860120219 螺母 Гайка 1
457 860120220 衬套 Втулка 1
459 860120221 连接器 Соединитель 2
479 860120222 隔离罩 Кожух от изоляции 1
501 860120223 防尘罩 Кожух от пыли 1
601 803007151 手柄总成(右) Рукоятка в сборе (правая) 1
060 312700002 先导液压管路 Направляющий гидравлический трубопровод - XCMG Hydraulic Excavator XE370CA Spare Parts Catalog

序号 零件代号 零件名 数量
№ Номер детали Имя детали Кол-во
101 860120224 阀体 Корпус клапана 1
102 860120225 阀盖 Крышка клапана 1
151 860120226 堵头 Заглушка 4
153 860120227 ROH 堵头 ROHЗаглушка 2
163 860120228 O 形圈 O-образное кольцо 2
191 860120229 阀座 Место клапана 2
192 860120230 阀座 Место клапана 2
193 860120231 衬套 Втулка 2
194 860120232 轴承盖钢珠 Шарик крышки подшипника 2
201 860120233 端盖 Торцевая крышка 2
202 860120234 堵头 Заглушка 4
203 860120235 润滑脂盖 Крышка смазки 4
210 860120236 垫片 Прокладка 4
211 860120237 O 形圈 O-образное кольцо 2
212 860120238 O 形圈 O-образное кольцо 4
213 860120239 O 形圈 O-образное кольцо 4
214 860120240 推杆 Толкач 4
215 860120241 垫圈 Шайба 8
217 860120242 垫圈 Шайба 4
218 860120243 弹簧座 Седло пружины 4
220 860120244 螺钉 Винт 2
224 860120245 活塞 Поршень 4
225 860120246 轴承钢珠 Шарикоподшипник 12
271 860120247 螺栓 Болт 2
301 860120248 阀芯 Сердечник клапана 4
311 860120249 弹簧座 Седло пружины 4
313 860120250 垫圈 Шайба 4
324 860120251 弹簧 Пружина 4
335 860120252 弹簧 Пружина 4
336 860120253 弹簧 Пружина 4