073 384203503 HEIGHT ADJUSTMENT/CRAWL 行走及升降装置-- XCMG Road Milling Machine XM200 Spare Parts Catalog
384201717 FRONT LEG LINKAGE 前腿连动总成

序号 零部件代号 名称 数量 备注
No. Part No. Part name Q'ty Remark
1 384200463 叉头 FORKHEAD 2
2 384200460 连动杆 TRACKING ROD 1
3 805239111 螺母 M30×2(达克罗) NUT M30×2 2 GB/T6171-2000
4 800513992 关节轴承 GE40ES OSCILLATING BEARING GE40ES 2 GB/T9163-2001
5 805407850 挡圈 62(达克罗) HOLD WASHER 62 4 GB/T893.1-1986
6 805604568 销轴(一) SHAFT 2 Whatsapp: 86-18630852087
7 805407863 挡圈 40(达克罗) HOLD WASHER 40 4 GB/T894.1-1986
8 384202680 销轴(二) SHAFT 2
9 384200465 垫片 MAT 6 Whatsapp: 86-18630852087
10 805338260 垫圈 10(达克罗) WASHER 10 6 GB/T93-1987
11 805046472 螺栓 M10×20(达克罗) BOLT 2 GB/T5783-2000
12 384200466 防尘圈 DUSTPROOF WASHER 2
13 805604571 销轴 SHAFT 2
14 805046473 螺栓 M10×30(达克罗) BOLT 4 GB/T5783-2000
15 801103215 油杯 M10×1 不锈钢OIL CUP M10×1 STAINLESS STEEL 4 JB/T7940.1-1995
074 384203503 HEIGHT ADJUSTMENT/CRAWL 行走及升降装置-- XCMG Road Milling Machine XM200 Spare Parts Catalog
384201719 SURVEYOR'S POLE 后腿高度标尺

序号 零部件代号 名称 数量 备注
No. Part No. Part name Q'ty Remark
1 384202302 支座 SUPPORT 1
2 384200468 标尺杆 RULER POLE 1 Whatsapp: 86-18630852087
3 805200047 螺母 M16×1.5 NUT M16×1.5 2 GB/T6173-2000
075 384203531 MILLING MACHINE 路面铣刨机-- XCMG Road Milling Machine XM200 Spare Parts Catalog
384203199 DIESEL COVER 柴油机罩

序号 零部件代号 名称 数量 备注
No. Part No. Part name Q'ty Remark
1 384200628 连接支架 CONNECTING RACKET 1
2 384201692 铰链 HINGE 4
3 384202348 后罩 BACK COVER 1
4 384200230 发动机罩 SHIELD FOR DIESEL ENGINE 1
5 384202825 上挡板 UPPER BAFFLE 1
6 801540404 把手 HANDLE 2 Whatsapp: 86-18630852087
7 801540388 双翅锁 LOCK 2
8 384201691 连接板 PLANK 1
9 384200630 连接板 PLANK 1
10 384201453 侧门 SIDE PLATE 1
11 801540403 钢栓 LOCK TONGUE 2
12 801504623 拉紧把手 TENSION HANDLE 2 Whatsapp: 86-18630852087
13 801702938 气弹簧 GAS SPRING 2
14 805603528 销 8×25 PIN 8×25 4 GB/T882-2008
15 805338269 垫圈 12(达克罗) WASHER 12 20 GB/T96.1-2002
16 805046550 螺栓 M12×45(达克罗) BOLT 10 GB/T5783-2000
17 805238367 螺母 M12(达克罗) NUT M12 10 GB/T6170-2000
18 805301377 垫圈 16(达克罗) WASHER 16 32 DIN6796
19 805046573 螺栓 M16×40(达克罗)BOLT M16×40(DACROMET) 32 GB/T5783-2000
20 805301373 垫圈 10(达克罗) WASHER 10 24 DIN6796
21 805046529 螺栓 M10×40(达克罗) BOLT M10×40 12 GB/T5783-2000
22 805238366 螺母 M10(达克罗) NUT M10 12 GB/T6170-2000
23 805338258 垫圈 6(达克罗) WASHER 4 GB/T93-1987
24 805046496 螺栓 M6×20(达克罗) BOLT 4 GB/T5783-2000
25 805238370 螺母 M6(达克罗) NUT M6 4 GB/T6170-2000
26 805600344 销 3×20 PIN 3×20 4 GB/T91-2000
27 805301384 垫圈 8(达克罗) WASHER 8 12 DIN6796
28 805046513 螺栓 M8×40(达克罗) BOLT M8×40 2 GB/T5783-2000
29 805046477 螺母 M8(达克罗) NUT M8 29 GB/T6170-2000
30 805046484 螺栓 M8×25(达克罗) BOLT M8×25 15 GB/T5783-2000
31 384200513 固定螺栓 FIXING BOLTS 2
32 384203329 调整垫 ADJUST MAT 4
33 384203681 防护网PROTECTIVE SCREENING 1
34 384203843 后视镜安装架 REARVIEW MIRROW MOUNTING BRACKET 1
35 384203855 球面镜焊接 SPHERICAL MIRROW WELDING 1
36 805338276 垫圈 8(达克罗) WASHER 8 52 GB/T97.1-2002
37 805338259 垫圈 8(达克罗) WASHER 8 43 GB/T93-1987
38 384204343 左侧罩 COVER 1
39 384204361 左后罩 LEFT REAR COVER 1 Whatsapp: 86-18630852087
40 384204342 右侧罩 COVER 1
41 384204359 右后罩 RIGHT REAR COVER 1
42 384204354 垫板 BASEPLATE 1
43 384204352 右下支架 LOWER RIGHT BRACKET 1
44 384204353 右中支架 RIGHT MIDDLE BRACKET 1
45 384204347 左上支架 LEFT UPPER BRACKET 1
46 384204358 左下支架 LOWER LEFT BRACKET 1
47 384204355 左中支架 LEFT MIDDLE BRACKET 1
48 384204356 右上支架 AT THE UPPER BRACKET 1
49 805338265 垫圈 8(达克罗) WASHER 8 9 GB/T96.1-2002
50 805046507 螺栓 M8×20(达克罗) BOLT M8×20 36 GB/T5783-2000
076 384203199 DIESEL COVER 柴油机罩-- XCMG Road Milling Machine XM200 Spare Parts Catalog
384201692 HINGE 铰链

序号 零部件代号 名称 数量 备注
No. Part No. Part name Q'ty Remark
1 384201452 安装座 MOUNTING PLATE 1
2 384200632 连接座 CONNECTING SEAT 1 Whatsapp: 86-18630852087
3 805604573 销轴 SHAFT 1
4 384200633 村套 BUSHING 1 Whatsapp: 86-18630852087
5 805400036 挡圈 35 HOLD WASHER 35 1 GB/T893.1-1986
6 800515296 关节轴承 GE20C OSCILLATING BEARING GE20C 1 GB/T9163-2001
7 805239218 螺母 M20(达克罗) NUT M20 1 GB/T889.1-2000
8 805600051 销 6.3×40 PIN 6.3×40 1 GB/T91-2000
077 384203531 MILLING MACHINE 路面铣刨机-- XCMG Road Milling Machine XM200 Spare Parts Catalog
384202678 CEILING 顶棚

序号 零部件代号 名称 数量 备注
No. Part No. Part name Q'ty Remark
1 384201561 后窗 BACK WINDOW 1
2 384201559 前窗 FRONT WINDOW 1
3 384201560 顶棚 CEILING 1 Whatsapp: 86-18630852087
4 384201562 油缸销 PIN 2
5 384201957 销轴 SHAFT 2
6 384201958 垫板一 PLATE A 2
7 805047815 螺栓 M10×90(达克罗) BOLT (DACROMET) 4 GB/T5783-2000
8 800554543 自润滑轴承 SELF LUBRICATING BEARING 4
9 805239164 螺母 M10(达克罗) NUT M10 4 GB/T889.1-2000
10 384600136 插销 PIN 2
11 805338280 垫圈 12(达克罗) WASHER 12 12 GB/T97.1-2002
12 805338261 垫圈 12(达克罗) WASHER 12 6 GB/T93-1987 Whatsapp: 86-18630852087
13 805048318 螺栓 M12×110(达克罗) BOLT M12×110 6 GB/T5783-2000
14 805338284 垫圈 16(达克罗) WASHER 16 8 GB/T97.1-2002
15 805338263 垫圈 16(达克罗) WASHER 16 8 GB/T93-1987
16 805006280 螺栓 M16×45 10.9(达克罗)BOLT M16×45 10.9 8 GB/T5783-2000
17 384201959 垫板二 PLATE (2) 2 Whatsapp: 86-18630852087
18 805238413 螺母 M12(达克罗) NUT M12 6 GB/T6185.1-2000
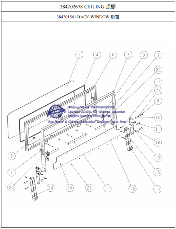
078 384202678 CEILING 顶棚-- XCMG Road Milling Machine XM200 Spare Parts Catalog
384201561 BACK WINDOW 后窗

序号 零部件代号 名称 数量 备注
No. Part No. Part name Q'ty Remark
1 805000057 螺栓 M6×60 BOLT M6×60 7 GB/T5783-2000
2 384201677 后窗玻璃 BACKLITE WINDOWSHIELD 1
3 384202319 骨架 FRAME 1
4 384201679 密封胶条 L=5000 SEALING STRIP L=5000 1
5 384201680 玻璃紧固件 GLASS FASTENERS 10
6 384202320 后窗框 FRAME 1 Whatsapp: 86-18630852087
7 805338258 垫圈 6(达克罗) WASHER 15 GB/T93-1987
8 805004814 螺栓 M16×55(达克罗) BOLT M16×55 12 GB/T5783-2000
9 801504611 拉紧把手 TENSION HANDLE 2
10 805338284 垫圈 16(达克罗) WASHER 16 12 GB/T97.1-2002 Whatsapp: 86-18630852087
11 805600109 销 20×80 PIN 20×80 4 GB/T882-2008
12 384201665 短压板 SHORT BINDER PLATE 2
13 384202321 支腿板 LEG PLATES 2
14 805046455 螺栓 M10×45(达克罗) BOLT M10×45 2 GB/T5783-2000
15 384202322 右固定板 RIGHT FIXED PLATE 1
16 384201563 自润滑轴承 SELF LUBRICATING BEARING 2
17 384201666 长压板 LONG BINDER PLATE 1 Whatsapp: 86-18630852087
18 384600136 插销 PIN 4
19 384201678 挡雨板 HOOD COVER 1
20 805338275 垫圈 6(达克罗) WASHER 15 GB/T97.1-2002
21 805238370 螺母 M6(达克罗) NUT M6 15 GB/T6170-2000
22 805046481 螺栓 M6×16(达克罗) BOLT 8 GB/T5783-2000
23 805338263 垫圈 16(达克罗) WASHER 16 12 GB/T93-1987
24 384202323 左固定板 RIGHT FIXED PLATE 1 Whatsapp: 86-18630852087
079 384202678 CEILING 顶棚-- XCMG Road Milling Machine XM200 Spare Parts Catalog
384201559 FRONT WINDOW 前窗

序号 零部件代号 名称 数量 备注
No. Part No. Part name Q'ty Remark
1 384202316 右固定板 RIGHT FIXED PLATE 1
2 384202317 左固定板 RIGHT FIXED PLATE 1 Whatsapp: 86-18630852087
3 384202313 前支板 FRONT PLATES 2
4 384202315 前窗框 FRONT WINDOW FRAME 1
5 384201658 前窗玻璃 GLASS FRONT 1
6 384201679 密封胶条 L=5000 SEALING STRIP L=5000 1
7 384201659 垫板 BASEPLATE 2
8 384201667 挡雨板 HOOD COVER 1
9 384201665 短压板 SHORT BINDER PLATE 2 Whatsapp: 86-18630852087
10 384201666 长压板 LONG BINDER PLATE 1
11 805338280 垫圈 12(达克罗) WASHER 12 6 GB/T97.1-2002 Whatsapp: 86-18630852087
12 805338261 垫圈 12(达克罗) WASHER 12 7 GB/T93-1987
13 805006427 螺栓 M12×70(达克罗) BOLT M12×70 6 GB/T5782-2000
14 805238372 螺母 M12(达克罗) NUT M12 6 GB/T6170-2000
15 805338275 垫圈 6(达克罗) WASHER 7 GB/T97.1-2002
16 805338258 垫圈 6(达克罗) WASHER 7 GB/T93-1987
17 805001962 螺栓 M6×60 BOLT M6×60 7 GB/T5782-2000
18 805238370 螺母 M6(达克罗) NUT M6 7 GB/T6170-2000
19 384201680 玻璃紧固件 GLASS FASTENERS 10 Whatsapp: 86-18630852087
20 384200539 垫圈 WASHER 2
21 805338262 垫圈 14(达克罗) WASHER 14 2 GB/T93-1987
22 805238504 螺母 M14(达克罗) NUT M14 2 GB/T6170-2000